製品情報

屋根タイプが
わからない時は

ソーラーパネル取付予定の屋根に適合する商品について、サカタ製作所でお調べいたします。

お問い合わせの前に

屋根のメーカーや品番・型番が不明な場合は、スムーズな適合確認のために、下記の情報をご準備ください。

※適合屋根確認シートもご活用ください。

適合屋根確認シート

1 屋根の形状の画像を撮影してください。

金属屋根(折板)は種類が多く識別が難しいため、断面形状が良くわかるよう複数枚撮影してください。

屋根の形状の画像を撮影してください。
屋根の形状の画像を撮影してください。
悪い例:屋根の全景では識別できません。

2 屋根の断面形状で近いものを下記から選んでください。

ハゼ式折板
ハゼ式折板
重ね式折板
重ね式折板
瓦棒葺屋根
瓦棒葺屋根
立平葺屋根
立平葺屋根
嵌合式屋根
嵌合式屋根

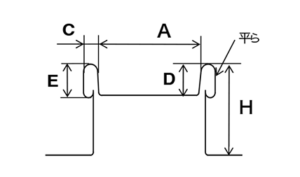
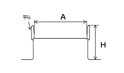
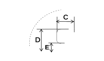
3 屋根の材質・板厚、断面のそれぞれの寸法(mm)を、下記を参考に確認・測定してください。

ハゼ式折板の確認・測定項目

  • 材質
  • 板厚(mm)
  • P(mm)
  • H(mm)
  • A(mm)
  • B(mm)
  • C(mm)
  • D(mm)
  • E(mm)

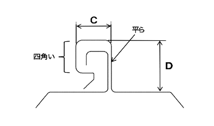
折板非ハゼ部について

※Pが300mm・600mm・650mmの場合、折板非ハゼ部の有無を必ず確認してください。

折板非ハゼ部について
ハゼ式折板
ハゼ式折板
角ハゼ式折板
角ハゼ式折板
ハゼ式D折板
ハゼ式D折板
丸ハゼ(両丸)式折板
丸ハゼ(両丸)式折板
丸ハゼ(片丸)式折板
丸ハゼ(片丸)式折板
日輪折板馳2型
日輪折板馳2型

重ね式折板の確認・測定項目

  • 材質
  • 板厚(mm)
  • P(mm)
  • H(mm)
  • A(mm)
  • B(mm)
  • D(mm)
  • ネジ径(インチ または ミリ)
  • ネジ材質(めっき または SUS)
  • ネジ錆(有 または 無)
重ね式折板
重ね式折板

瓦棒葺屋根の確認・測定項目

  • 材質
  • 板厚(mm)
  • P(mm)
  • H(mm)
  • A(mm)
  • B(mm)
  • C(mm)
  • D(mm)
  • E(mm)
瓦棒葺屋根
瓦棒葺屋根
三晃式瓦棒葺(巾33/35mm)[心木無し]
三晃式瓦棒葺(巾33/35mm)[心木無し]
丸ハゼ式瓦棒葺(巾35mm)[心木無し]
丸ハゼ式瓦棒葺(巾35mm)[心木無し]
林式瓦棒葺(巾45mm)[心木無し]
林式瓦棒葺(巾45mm)[心木無し]
林式瓦棒葺(巾55mm)[心木無し]
林式瓦棒葺(巾55mm)[心木無し]
嵌合式瓦棒葺40
嵌合式瓦棒葺40
瓦棒葺 400 角型
瓦棒葺 400 角型
瓦棒葺 400 丸型
瓦棒葺 400 丸型

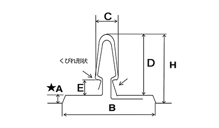
立平葺屋根の確認・測定項目

  • 材質
  • 板厚(mm)
  • P(mm)
  • H(mm)
  • A(mm)
  • B(mm)
  • C(mm)
  • D(mm)
  • E(mm)

※Aの形状・寸法が無い立平葺屋根にも適合します。

立平葺屋根
立平葺屋根
ハゼ締め(巻きハゼ)立平葺
ハゼ締め(巻きハゼ)立平葺
キャップ(嵌合式)立平葺
キャップ(嵌合式)立平葺
立平ハゼ折板S
立平ハゼ折板S
立平ハゼ折板K
立平ハゼ折板K

嵌合式屋根の確認・測定項目

  • 材質
  • 板厚(mm)
  • P(mm)
  • H(mm)
  • A(mm)
  • B(mm)
  • C(mm)
  • D(mm)
  • E(mm)
BL500 折板
BL500 折板
BL600 折板
BL600 折板
ハゼ嵌合式A 折板
ハゼ嵌合式A 折板
ハゼ嵌合式Aのハゼ部詳細
ハゼ嵌合式Aのハゼ部詳細
ハゼ嵌合式G6 折板
ハゼ嵌合式G6 折板
ハゼ嵌合式G7 折板
ハゼ嵌合式G7 折板
スーパールーフ66 折板
スーパールーフ66 折板